Ref No
Part Number
Description
Serial Range
Qty
Price
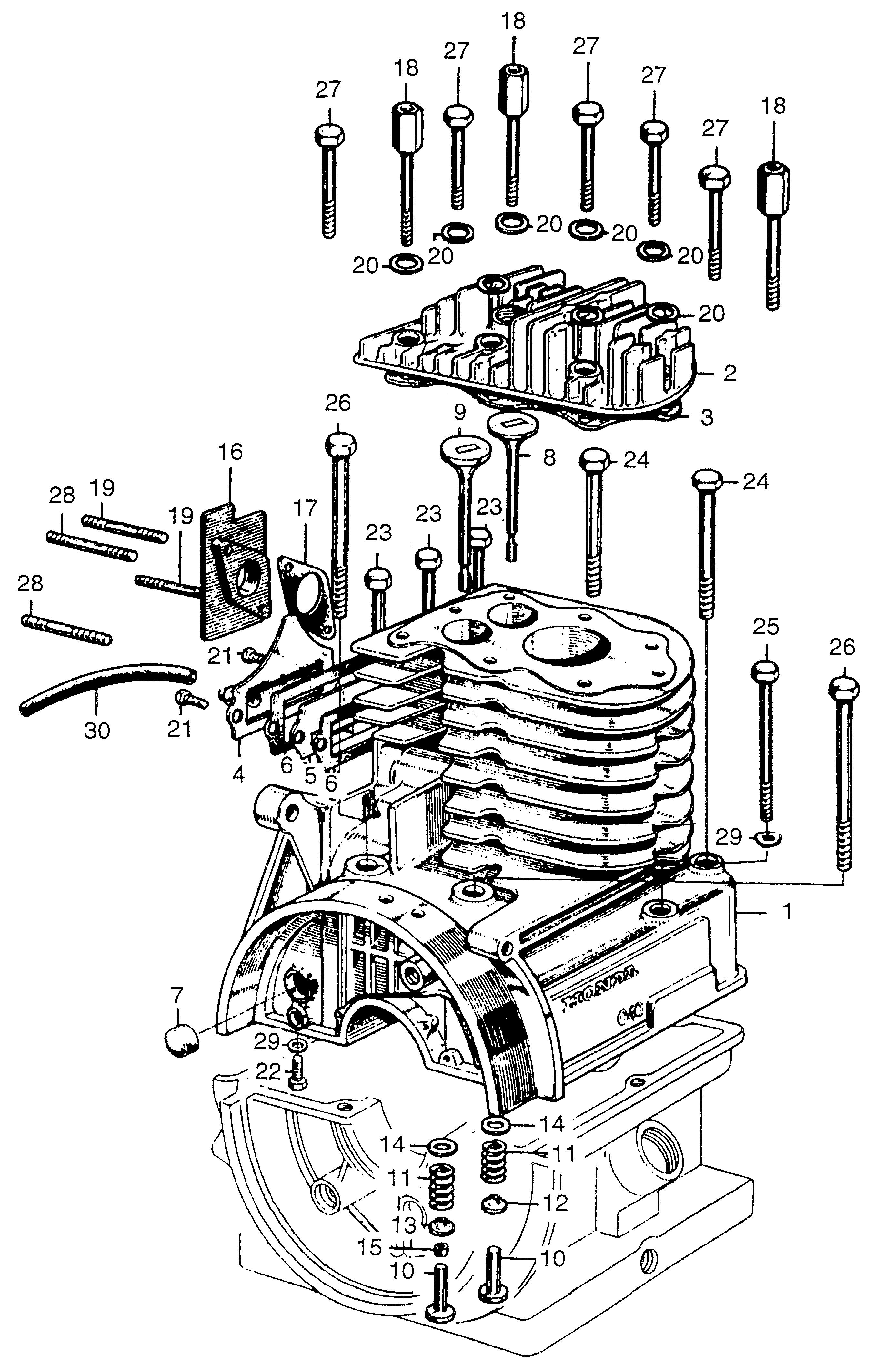
Ref No 1
Part Number 12100-822-060
Description CYLINDER
Serial Range 1000001 - 9999999
Ref No 2
Part Number 12201-822-000
Description CYLINDER HEAD (NOT AVAILABLE)
Serial Range 1000001 - 9999999
Ref No 3
Part Number 12251-843-306
Description GASKET, CYLINDER HEAD
Serial Range 1000001 - 9999999
Qty
Price $33.10
Add To Cart
Ref No 4
Part Number 12361-865-010
Description COVER, TAPPET
Serial Range 1000001 - 9999999
Ref No 5
Part Number 12370-843-000
Description SEPARATOR, OIL
Serial Range 1000001 - 9999999
Ref No 6
Part Number 12372-822-000
Description GASKET, BREATHER CASE (NOT AVAILABLE)
Serial Range 1000001 - 9999999
Ref No 7
Part Number 14214-822-000
Description PLUG, CAMSHAFT SEALING (NOT AVAILABLE)
Serial Range 1000001 - 9999999
Ref No 8
Part Number 14711-822-010
Description VALVE, IN. (NOT AVAILABLE)
Serial Range 1000001 - 9999999
Ref No 9
Part Number 14721-822-020
Description VALVE, EX.
Serial Range 1000001 - 9999999
Qty
Price $55.44
Add To Cart
Ref No 10
Part Number 14731-822-000
Description LIFTER, VALVE (NOT AVAILABLE)
Serial Range 1000001 - 9999999
Ref No 11
Part Number 14751-822-000
Description SPRING, VALVE (NOT AVAILABLE)
Serial Range 1000001 - 9999999
Ref No 12
Part Number 14771-883-305
Description RETAINER, VALVE SPRING
Serial Range 1000001 - 9999999
Qty
Price $13.44
Add To Cart
Ref No 13
Part Number 14771-822-020
Description RETAINER, VALVE SPRING (NOT AVAILABLE)
Serial Range 1000001 - 9999999
Ref No 14
Part Number 14775-809-000
Description SEAT, SPRING (NOT AVAILABLE)
Serial Range 1000001 - 9999999
Ref No 14
Part Number 14775-822-010
Description SEAT, VALVE SPRING
Serial Range 1000001 - 9999999
Ref No 15
Part Number 14777-822-405
Description ADJUSTER, TAPPET CLEARANCE (5.2/5.3) (NOT AVAILABLE)
Serial Range 1000001 - 9999999
Ref No 15
Part Number 14777-822-415
Description ADJUSTER, TAPPET CLEARANCE (5.5/5.6) (NOT AVAILABLE)
Serial Range 1000001 - 9999999
Ref No 15
Part Number 14777-822-425
Description ADJUSTER, TAPPET CLEARANCE (5.9/6.0) (NOT AVAILABLE)
Serial Range 1000001 - 9999999
Ref No 16
Part Number 16211-865-781
Description INSULATOR, CARBURETOR (NOT AVAILABLE)
Serial Range 1000001 - 9999999
Ref No 17
Part Number 16229-822-010
Description GASKET, CARBURETOR INSULATOR (NOT AVAILABLE)
Serial Range 1000001 - 9999999
Ref No 18
Part Number 90001-822-000
Description BOLT, CYLINDER HEAD CLAMP
Serial Range 1000001 - 9999999
Ref No 19
Part Number 90061-822-010
Description BOLT, STUD (8X42) (NOT AVAILABLE)
Serial Range 1000001 - 9999999
Ref No 20
Part Number 90402-822-000
Description WASHER, HEAD (8MM)
Serial Range 1000001 - 9999999
Qty
Price $1.74
Add To Cart
Ref No 21
Part Number 92101-06016-0A
Description BOLT, HEX. (6X16)
Serial Range 1000001 - 9999999
Qty
Price $1.78
Add To Cart
Ref No 22
Part Number 92101-06032-0A
Description BOLT, HEX. (6X32)
Serial Range 1000001 - 9999999
Qty
Price $2.10
Add To Cart
Ref No 23
Part Number 92101-06070-0A
Description BOLT, HEX. (6X70)
Serial Range 1000001 - 9999999
Qty
Price $2.86
Add To Cart
Ref No 23
Part Number 92101-06070-0A
Description BOLT, HEX. (6X70)
Serial Range 1000001 - 9999999
Qty
Price $2.86
Add To Cart
Ref No 24
Part Number 92101-06070-0A
Description BOLT, HEX. (6X70)
Serial Range 1000001 - 9999999
Qty
Price $2.86
Add To Cart
Ref No 24
Part Number 92101-06070-0A
Description BOLT, HEX. (6X70)
Serial Range 1000001 - 9999999
Qty
Price $2.86
Add To Cart
Ref No 25
Part Number 92000-06080
Description BOLT, HEX. (6X80)
Serial Range 1000001 - 9999999
Ref No 26
Part Number 92000-08100-0A
Description BOLT, HEX. (8X100)
Serial Range 1000001 - 9999999
Ref No 27
Part Number 92025-08045
Description BOLT, HEX. (8X45)
Serial Range 1000001 - 9999999
Ref No 28
Part Number 92900-06018-0B
Description BOLT, STUD (6X18)
Serial Range 1000001 - 9999999
Qty
Price $1.98
Add To Cart
Ref No 29
Part Number 94101-06800
Description WASHER, PLAIN (6MM)
Serial Range 1000001 - 9999999
Qty
Price $0.80
Add To Cart
Ref No 30
Part Number 95001-80125-90
Description TUBE (8X125) (NOT AVAILABLE)
Serial Range 1000001 - 9999999